
Product features
AC variable frequency and voltage regulation control
Special interface is connected with elevator system for variable frequency control
Operating voltage in variable frequency mode: AC 220V
Car door lock function
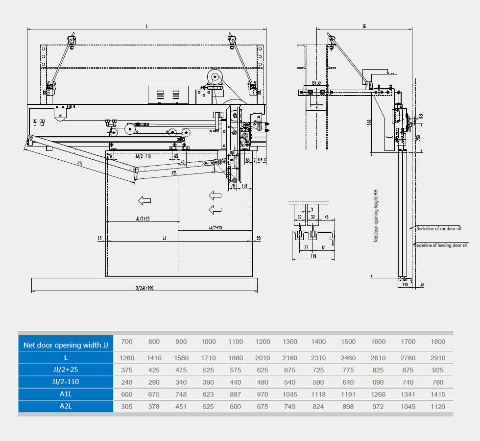
Directly mounted on straight beam of the car
The figure indicates left opening, and the right opening is manufactured symmetrically
“C” is the distance between the inside of straight beam and fast-door borderline
Product Description
